매크로에서 마이크로 영역의 다양한 관찰 및 측정!!!

7,300x

3D 측정 / 표면 거칠기
매크로에서 마이크로 영역의 다양한 관찰 및 측정!!!


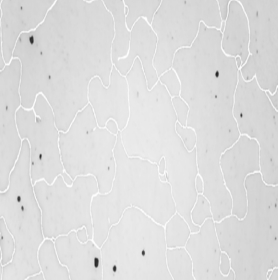
강철 미세 구조
결정립 경계가 강조된
실시간 대비 개선 이미지
인쇄 회로 기판의 관통 구멍
막힌 관통 구멍과
빈 관통 구멍을 실시간으로 감지
| 모델 | Standard(DSX20-SZH) | Universal(DSX20-UZH) | Motorized(DSX20-MZH) | ||||||||||
|---|---|---|---|---|---|---|---|---|---|---|---|---|---|
| 광학 시스템 | 광학 시스템 | 텔레센트릭 광학 시스템 | |||||||||||
| 광학 줌 비율 | 1x ~ 10x | ||||||||||||
| 광학 줌 배율 방법 | 전동 | ||||||||||||
| 노즈피스 | 수동 슬라이딩 | 수동 슬라이딩 | 전동식 회전 | ||||||||||
| 부착 가능한 대물렌즈 수 | 최대 2개 | 최대 2개 | 최대 4개 | ||||||||||
| 정확성(XY평면) | ± 3% | ||||||||||||
| 반복성 : X-Y 평면 / Z축 | 3σn-1 : 2% / σn-1 : 1 μm | ||||||||||||
| 카메라 | 이미지 센서 | 1.1인치 12.37 메가 픽셀 컬러 CMOS 이미지 센서 | |||||||||||
| 냉각 | 펠티에 냉각 | ||||||||||||
| 프레임 | 60fps(최대) | ||||||||||||
| 조명 | 컬러 광원 | LED | |||||||||||
| 수명 | 60,000 (설계값) | ||||||||||||
| 관찰 | BF(명시야) | 사용가능 | |||||||||||
| OBQ(경사) | 사용가능 | ||||||||||||
| DF(명시야) | 사용 가능 / 4개 분활로 나누어진 LED 링 | ||||||||||||
| MIX(명시야+암시야) | 사용가능 | ||||||||||||
| PO(편광) | 사용가능 | ||||||||||||
| DIC(미분간섭대비) | 사용 불가능 | 사용가능 | 사용가능 | ||||||||||
| SR(Shaded Relief) | 사용 가능 | ||||||||||||
| 대비 설정 기계식 조리개 | 사용 가능 | ||||||||||||
| 초점 심도 기계식 조리개 | 사용 불가능 | 사용가능 | 사용가능 | ||||||||||
| 초점 | 초점 조절 | 전동 | |||||||||||
| 스트로크 | 101mm(전동식) | 101mm(전동식) | 75mm(전동식) | ||||||||||
| 대물렌즈 | 스테이지 | DSX10-SXLOB | DSX10-XLOB | UIS2 | |||||||||
| 최대 샘플 높이(DSX20-UZH, SZH) | 50mm | 115mm | 145mm | ||||||||||
| 최대 샘플 높이 (DSX-MZH) | 71mm | 101mm | |||||||||||
| 최대 샘플 높이(자유각 관찰) | 50mm | ||||||||||||
| 동초점거리 | 140mm | 75mm | 45mm | ||||||||||
| 총배율 | 20.9x ~ 1,461x | 43.8x ~ 5,845x | 26.1x ~ 7,307x | ||||||||||
| 실제 FOV | 18,182 x 13,317μm ~ 260 x 190μm | 8,700 x 6,300μm ~ 64.93 x 47.6μm | 14,500 x 10,700μm ~ 51.98 x 38μm | ||||||||||
| 스테이지 | 스테이지 | DSX20-TMTS | DSX20-RMTS | DSX20-LMTS | U-SIC4R | ||||||||
| 방식 | 전동 | 전동 | 전동 | 수동 | |||||||||
| 사이즈 | 100 x 100mm | 일반: 100x100mm 최우선: 50x50mm |
200 x 100mm | 100 x 105mm | |||||||||
| 투과광 | 통합형 | X | X | X | |||||||||
| 회전각도 | X | 스트로크 모드: ±20° 회전 모드: ±90° |
X | X | |||||||||
| 프레임 | 프레임 | DSX20-UF | DSX-TF | ||||||||||
| Z축 스트로크 | 50mm (수동) | 50mm (수동) | |||||||||||
| 틸팅 관찰 / 각도 / 표시 / 방법 | X | ± 90° / GUI / 수동, 고정 및 릴리스 | |||||||||||